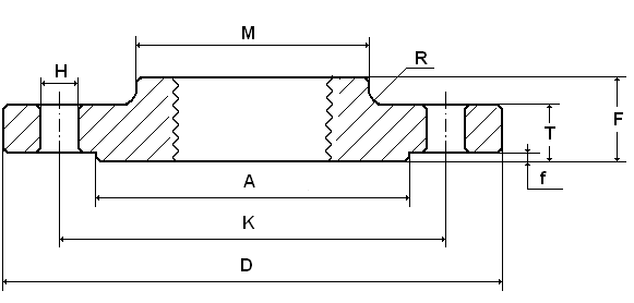
螺紋法蘭
螺紋法蘭
執行標準:GB/T9112~9115-2010、HG/T20592~20635-2009、ASME B16.5 ASME B16.47等。
材質:雙金屬復合材料、不銹鋼、合金鋼、碳鋼等。
公稱壓力:PN6-PN100以及Class300-Class2500
產品規格:DN25-DN3000
詳 情
我公司生產的法蘭,以鍛制毛坯為原料,采用機加工工藝制造。產品廣泛應用于石油及天然氣工業、供水工程、化學工業等行業。



萬達產品Products